Please use landscape mode
Settings
Brewery - Chemicals - Chocolate - Cosmetics - Industry - Agriculture - Food - Dairy

OR160631

OR160631
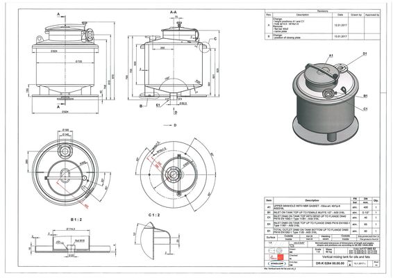
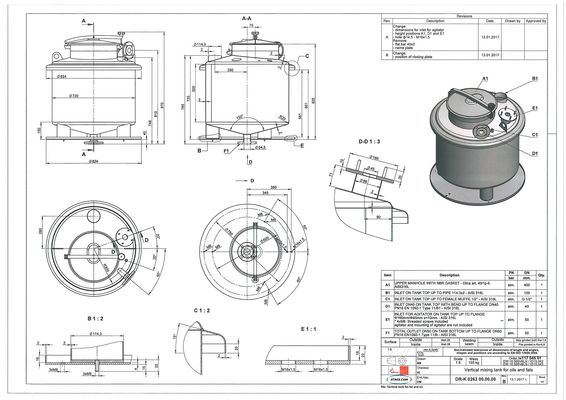
The stainless-steel mixing tanks are prepared for the agitators forseen by the customer, later on the mixing tanks will be provided with electrical heating and insulation
Request your quotation
Send us the specifications of the tank(s) you are looking for. We will send you a non-committal offer.
Receive our newsletter
Subscribe here to follow our projects and stay informed about our new stock items.
Storage tanks wanted
Do you have stainless-steel storage tanks or stainless-steel IBC transport containers for sale?