Please use landscape mode
Settings
Brouwerij - Chemie - Chocolade - Cosmetica - Industrie - Landbouw - Voeding - Zuivel

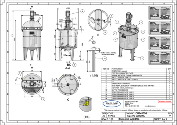
OR 241556

OR 241556
Deze standaard tanks uit onze voorraad werd voorzien van het volgende:
- Roerwerken volgens de specificaties van de klant.
- De deksels werden uitgerust met een veiligheidsschakelaar die het roerwerk stopt.
- Veiligheidsrooster.
- Diverse connecties.
Offerte aanvragen
Interesse voor een tank op maat ? Bezorg ons de specificaties van de tank(s) die u zoekt. Wij maken u vrijblijvend een offerte.
Ontvang onze nieuwsbrief
Schrijf je in om onze projecten te volgen en blijf op de hoogte van onze nieuwste stockartikelen.
Aankoop gebruikte tanks
Heeft u roestvrijstalen tanks of roestvrijstalen IBC transportcontainers te koop?